ZJHN氣動薄膜雙座調節閥
一、氣動薄膜雙座調節閥 產品概述
本公司的ZJSN系列氣動薄膜雙座調節閥,由多彈簧直行程氣動執行器和直通雙座調節閥體組成。氣動雙座調節閥采用雙導向結構,具有結構緊湊、重量輕、動作快、閥容量大、流量特性精度高、拆裝方便等特點。氣動薄膜雙座調節閥閥內有上、下兩個閥芯,流體作用在上、下閥芯上的推力,其方向相反而大小接近,不平衡力很小,允許壓差大,額定流量系數比同口徑的單座閥大,但該閥的泄漏比單座閥大。氣動薄膜雙座調節閥適用于對泄露量要求不嚴格,閥前后壓差較大的干凈介質場合。氣動雙座調節閥主要應用于石油、化工、冶金、、電站等工業控制部門,主要控制氣體、液體、蒸汽等介質。
|
|
|---|---|
| ZJHN氣動薄膜雙座調節閥 (配HVP定位器) | ZJHN氣動薄膜雙座調節閥 (配HEP定位器) |
二、氣動薄膜雙座調節閥 主要技術參數
| 公稱通徑(DN) | 20 | 25 | 32 | 40 | 50 | 65 | 80 | 100 | 125 | 150 | 200 | 250 | 300 | |
|---|---|---|---|---|---|---|---|---|---|---|---|---|---|---|
| 閥座直徑(dn) | 20 | 25 | 32 | 40 | 50 | 65 | 80 | 100 | 125 | 150 | 200 | 250 | 300 | |
| 額定流量系數(KV) | 直線 | 10 | 12.5 | 19.5 | 30.5 | 48.4 | 76 | 125 | 195 | 305 | 484 | 760 | 1000 | 1600 |
| 等百分 | 8 | 11 | 17,6 | 27.5 | 44 | 69 | 110 | 176 | 275 | 440 | 690 | 900 | 1300 | |
| 允許壓差(MPa) | ≤ 公稱壓力 | |||||||||||||
| 公稱壓力(MPa) | 1.6、2.5、4.0、6.4、10.0 | |||||||||||||
| 額定行程(mm) | 16 | 25 | 40 | 60 | 100 | |||||||||
| 配用執行器型號 | ZHA/B-22 | ZHA/B-23 | ZHA/B-34 | ZHA/B-45 | ZHA/B-56 | |||||||||
| 閥蓋形式 | 標準型(-17~+250℃)、高溫型(+250~+450℃)、低溫型(-40~-196℃)、波紋管密封型(-40~+350℃) | |||||||||||||
| 壓蓋形式 | 螺栓壓緊式 | |||||||||||||
| 密封填料 | V型聚四氟乙烯填料、V型柔性石墨填料 | |||||||||||||
| 閥芯形式 | 雙座柱塞導向型閥芯 | |||||||||||||
| 流量特性 | 直線性、等百分比 | |||||||||||||
三、氣動薄膜雙座調節閥 執行器技術參數
| 配置執行器類別 | ZHA/B多彈簧簿膜執行機構 | ||||
|---|---|---|---|---|---|
| 執行器型號 | ZHA/B-22 | ZHA/B-23 | ZHA/B-34 | ZHA/B-45 | ZHA/B-56 |
| 有效面積(cm2) | 350 | 350 | 560 | 900 | 1400 |
| 行程(mm) | 10、16 | 24 | 40 | 40、60 | 100 |
| 彈簧范圍(KPa) | 20~100(標準)、20-60、60-100、40-200、80-240 | ||||
| 膜片材料 | 丁腈橡膠夾尼龍布、乙丙橡膠夾尼龍布 | ||||
| 供氣壓力 | 140~400KPa | ||||
| 氣源接口 | RC1/4" | ||||
| 環境溫度 | -30~+70℃ | ||||
| 可配附件 | 定位器、空氣過濾減壓器、保位閥、行程開關、閥位傳送器、手輪機構等 | ||||
| 作用形式 | 氣關式(B)—失氣時閥位開(FO);氣開式(K)—失氣時閥位關(FC) | ||||
四、氣動薄膜雙座調節閥 主要結構圖
|
|
| 氣動雙座調節閥 (金屬硬密封結構) | 氣動雙座調節閥 (四氟軟密封結構) |
五、氣動薄膜雙座調節閥 主要零件材料
| 1 | 底座 | WCB | 304 | 316 | 316L |
|---|---|---|---|---|---|
| 2 | 閥體 | WCB | 304 | 316 | 316L |
| 3 | 閥芯 | 304 | 304 | 316 | 316L |
| 4 | 閥座 | 304 | 304 | 316 | 316L |
| 5 | 銅套 | 黃銅 | |||
| 6 | 導向套 | 304 | 304 | 316 | 316L |
| 7 | 墊片 | PTFE\石墨墊片 | PTFE\石墨墊片 | PTFE\石墨墊片 | PTFE\石墨墊片 |
| 8 | 閥蓋 | WCB | 304 | 316 | 316L |
| 9 | 閥桿 | 304 | 304 | 316 | 316L |
| 10 | 填料 | PTFE/石墨 | PTFE/石墨 | PTFE/石墨 | PTFE/石墨 |
| 11 | 填料壓蓋 | WCB | 304 | 316 | 316L |
| 12 | 螺栓 | 25 | 0Cr18Ni9Ti | 1Cr18Ni9Ti | 1Cr18Ni9Ti |
六、氣動薄膜雙座調節閥 主要性能指標
| 項目 | 不帶定位器 | 帶定位器 | ||
|---|---|---|---|---|
| 基本誤差% | ±5.0 | ±1.0 | ||
| 回差% | 3.0 | 1.0 | ||
| 死區% | 3.0 | 0.4 | ||
| 始終點偏差% | 氣開 | 始點 | ±2.5 | ±1.0 |
| 始點 | ±5.0 | ±1.0 | ||
| 氣關 | 始點 | ±5.0 | ±1.0 | |
| 終點 | ±2.5 | ±1.0 | ||
| 額定行程偏差% | ≤2.5 | |||
| 泄露量L/h | 0.01%×閥額定容量 | |||
| 可調范圍R | 30:1 | |||
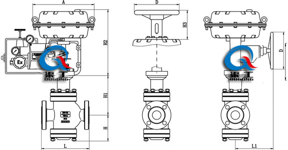
七、氣動薄膜雙座調節閥 外形圖
|
|---|
| 氣動薄膜雙座調節閥 外形尺寸圖 |
八、氣動薄膜雙座調節閥 安裝連接尺寸
| 公稱通徑 DN(mm) | 25 | 32 | 40 | 50 | 65 | 80 | 100 | 125 | 150 | 200 | 250 | 300 | |
|---|---|---|---|---|---|---|---|---|---|---|---|---|---|
| L | PN16/25 | 185 | 200 | 220 | 250 | 275 | 300 | 350 | 410 | 450 | 550 | 670 | 770 |
| PN40 | 190 | 210 | 230 | 255 | 285 | 310 | 355 | 425 | 460 | 560 | 740 | 805 | |
| PN64 | 200 | 210 | 235 | 265 | 295 | 320 | 370 | 440 | 475 | 570 | 750 | 820 | |
| H | PN16/25 | 117 | 120 | 139 | 144 | 188 | 208 | 220 | 268 | 278 | 320 | 441 | 503 |
| PN40 | 124 | 128 | 145 | 150 | 195 | 220 | 230 | 280 | 290 | 335 | 465 | 528 | |
| PN64 | 130 | 135 | 155 | 170 | 205 | 240 | 255 | 295 | 310 | 360 | 480 | 550 | |
| H1 | 165 | 185 | 185 | 205 | 245 | 255 | 270 | 335 | 365 | 430 | 560 | 680 | |
| H2 | 298 | 298 | 298 | 298 | 380 | 380 | 380 | 510 | 510 | 510 | 650 | 650 | |
| H3 | 177 | 177 | 177 | 177 | 182 | 182 | 182 | 182 | 182 | 218 | 218 | 218 | |
| L1 | 280 | 280 | 280 | 280 | 350 | 350 | 350 | 475 | 475 | 475 | 560 | 560 | |
| A | 282 | 282 | 282 | 282 | 360 | 360 | 360 | 470 | 470 | 470 | 580 | 580 | |
| D | 220 | 220 | 220 | 220 | 270 | 270 | 270 | 320 | 320 | 320 | 400 | 400 | |


滬公網安備31012002006630號
